一.Product Introduction
The 1/4inch one way check valve (also called a non-return valve) is a compact fluid control component designed to allow media flow in one direction only while preventing backflow. It’s widely used in pipelines for water, oil, gas, and corrosive liquids (depending on material) across industries like plumbing, chemical processing, and pneumatic systems.
This valve (as shown in the image) uses a spring-loaded poppet + seal structure: when forward pressure exceeds the spring force, the valve opens; when pressure reverses, the spring pushes the poppet to seal the channel, stopping backflow. Its 1/4-inch (DN8) size makes it suitable for small-diameter pipeline applications.
二.Product Features
- Unidirectional flow control: Reliably blocks backflow to protect equipment (e.g., pumps, meters) from damage.
- Durable material: Made of 304/316 stainless steel (as marked “304” in the image), offering corrosion resistance and compatibility with most common media.
- Compact & easy installation: One-piece body + threaded ends (e.g., NPT/G) for quick integration into pipelines (no special tools required).
- Stable sealing: Uses FKM/NBR seals to ensure leak-proof performance under rated pressure.
- Wide applicability: Works with liquids, gases, and some corrosive media (based on material selection).
三.Technical Data
| Item | Specification |
|---|---|
| Nominal size | 1/4 inch (DN8) |
| Body material | 304/316 stainless steel |
| Seal material | FKM (fluorocarbon rubber) / NBR (nitrile rubber) |
| Working pressure range | Typically 0.02–3.5 bar (0.3–50 psi) (adjustable for some models); max. 206 bar (3000 psig) at room temp |
| Cracking pressure | 0.02–1.7 bar (0.3–25 psi) (varies by model) |
| Flow coefficient (Cv) | ~0.3–0.55 |
| Temperature range | -29°C to 300°C (depends on seal material) |
| Connection type | Threaded (e.g., NPT, G, BSP) |
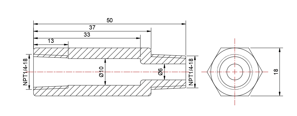
四.The main shape and connection size























