â… ï¼ŽProduct Introduction
Ⅱ.Product Features
-
Reliable Backflow Prevention
The lift-type structure ensures tight sealing: the valve disc fits precisely with the seat, and the combination of reverse flow pressure + gravity enables quick, stable closure (reduces water hammer risk compared to swing check valves in some scenarios).
-
Durable Cast Iron Construction
Cast iron body/parts offer good mechanical strength, impact resistance, and compatibility with most non-corrosive (or mildly corrosive) media; the surface is usually coated (e.g., blue epoxy, as shown in the product image) to enhance rust resistance.
-
Simple & Low-Maintenance Design
Few moving parts (valve disc, spring, etc.) reduce wear and failure risks; the structure allows easy disassembly for cleaning, seat replacement, or maintenance without complex tools.
-
Wide Application Adaptability
Suitable for a range of working pressures (e.g., PN10/PN16) and temperatures (generally -10℃ to 120℃ for standard models), matching common pipeline specifications (e.g., DN15 to DN200).
Ⅲ.Technical data
| Parameter | Typical Specifications (Example) |
|---|---|
| Body Material | Cast Iron (GG25/HT200) |
| Seat/Disc Material | Stainless Steel (304) / Brass |
| Working Pressure | PN10, PN16 (1.0MPa / 1.6MPa) |
| Working Temperature | -10℃ ~ 120℃ (for water/general media) |
| Connection Type | Flanged (EN 1092-1 / ANSI B16.5) |
| Nominal Diameter (DN) | DN15, DN20, DN25, DN40, DN50, DN65, DN80, DN100, DN150, DN200 |
| Flow Direction | One-way (forward flow as marked on the body) |
| Sealing Performance | Leakage rate ≤ 0.01% of nominal flow (per relevant standards) |
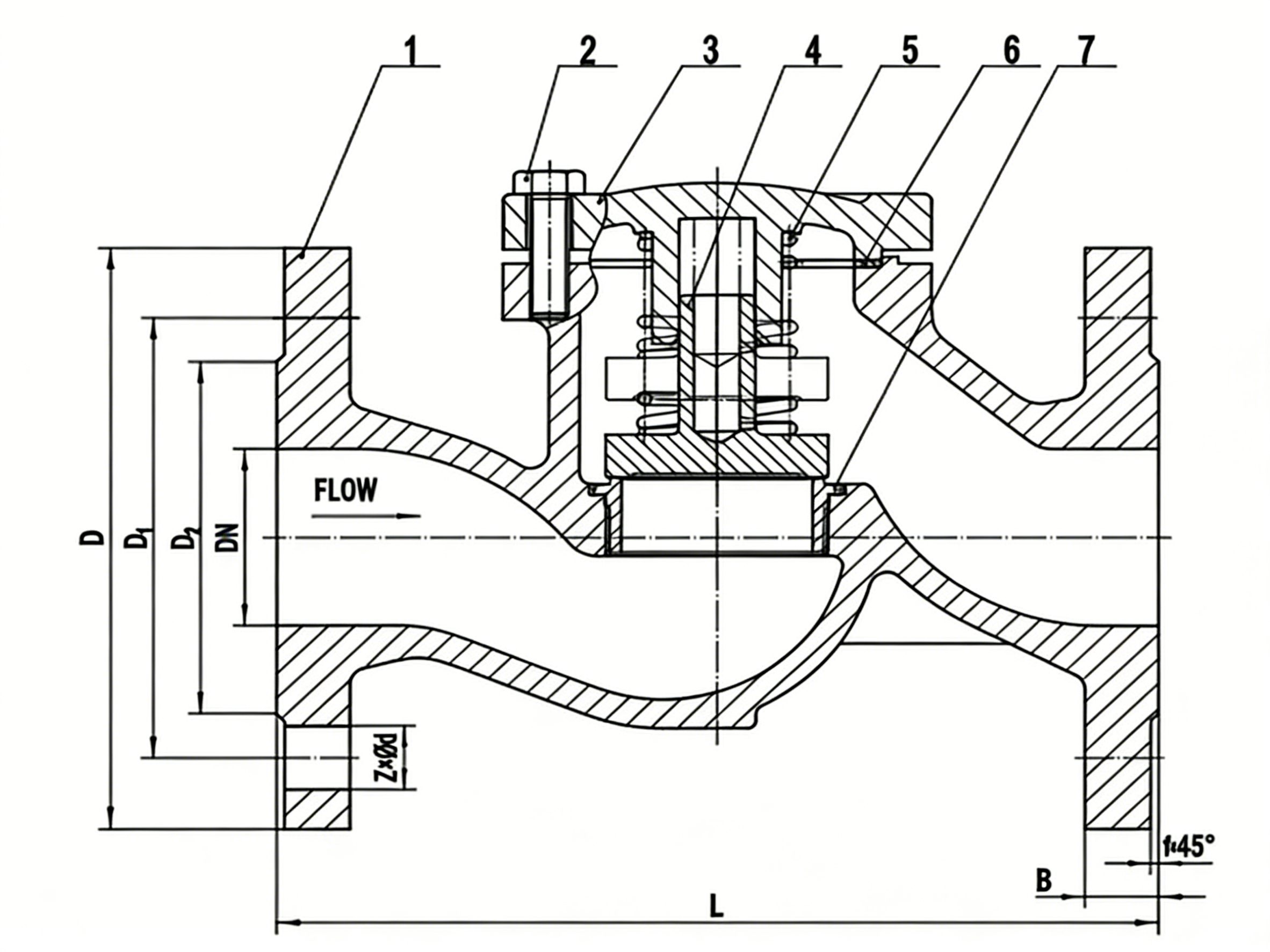
Ⅳ.The main shape and connection size

| DN | L | D | D1 | D2 | B-f | Z-Φ4 |
|---|---|---|---|---|---|---|
| 15 | 130±2 | 95 | 95 | 46 | 14-2 | 4-Φ14 |
| 20 | 150±2 | 105 | 75 | 58 | 16-2 | 4-Φ14 |
| 25 | 160±2 | 115 | 85 | 65 | 16-2 | 4-Φ14 |
| 32 | 180±2 | 140 | 100 | 76 | 18-2 | 4-Φ19 |
| 40 | 200±2 | 150 | 110 | 84 | 20-2 | 4-Φ19 |
| 50 | 230±2 | 165 | 125 | 99 | 20-2 | 4-Φ19 |
| 65 | 290±2 | 185 | 145 | 118 | 20-2 | 4-Φ19 |
| 80 | 310±2 | 200 | 180 | 132 | 22-2 | 8-Φ19 |
| 100 | 350±2 | 220 | 180 | 158 | 24-2 | 8-Φ19 |
| 125 | 400±2 | 250 | 210 | 184 | 26-2 | 8-Φ19 |
| 150 | 480±2 | 295 | 240 | 211 | 26-2 | 8-Φ23 |
| 200 | 800±2 | 340 | 295 | 266 | 30-2 | 12-Φ23 |















