一.Product Introduction
This mounting pad L-type three-way ball valve is a multi-functional pipeline control component, mainly used to realize the confluence, diversion or switching of medium in the pipeline (L-type flow path: two adjacent ports are connected, and the third port is closed). It is equipped with a mounting pad structure, which can be quickly connected with actuators (such as pneumatic/hydraulic actuators) to realize automatic control. It is widely applicable to petroleum, chemical, water treatment, food and beverage and other industrial fields.
二.Product Features
- L-type flow path design: Flexible realization of medium diversion/confluence, meeting diverse pipeline connection needs;
- Mounting pad structure: Convenient for quick assembly with actuators, improving installation efficiency;
- Diversified material matching: The body can be selected from CF8/CF3M (stainless steel) or WCB (carbon steel) to adapt to different medium and pressure environments;
- Excellent sealing performance: Adopts PTFE/PEK sealing parts, which have good corrosion resistance and high temperature resistance, ensuring long-term stable operation;
- High structural strength: Key parts (ball, stem, gland, etc.) are made of 304 stainless steel, with strong pressure resistance and long service life.
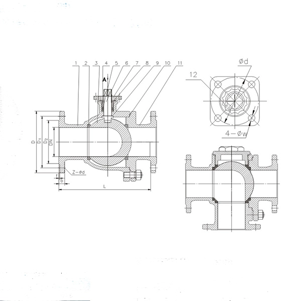
三.Technical data
| No | Part | Material |
|---|---|---|
| 1 | Body | CF8/CF3M、WCB |
| 2 | Lock ring | PTFE、PEK |
| 3 | Ball | 304 |
| 4 | The packing set | 304 |
| 5 | Filing | PTFE、PEK |
| 6 | Stem | 304 |
| 7 | Gland | 304 |
| 8 | Disc spring | 17-7PH |
| 9 | Antifriction sheet | 304 |
| 10 | Washer | PTFE |
| 11 | Bonne | CF8、304、316 |
| 12 | Snap ring | 17-7PH |
四.The main shape and connection size




















