Pneumatic V port Ball Control Valve

The Pneumatic V port Ball Control Valve features a cylindrical spring-preloaded movable metal seat structure with compensation, ensuring reliable sealing performance. The ball core and seat avoid jamming or separation, enabling a long service life. The V-shaped notch on the ball core and the metal seat have a shearing effect, making it particularly suitable for controlling media such as high-viscosity fluids, those containing fibers, solid particles, and slurries. It performs exceptionally well in applications like pulp control in the paper industry. As a type of ball valve, its closure member is a V-notch on a hemisphere. The sharp edge of the V-notch provides a wiping action between the closure members during rotation, offering a strong cutting force for the medium. The V-notch of the ball and the seat flow channel form a fan-shaped area, and the flow channel cross-sectional area can be changed during rotation, enabling precise regulation of the medium. It is an angle-rotating control valve with sealing performance the same as that of ordinary ball valves, thus having both regulating and on-off functions. When paired with pneumatic or electric actuators, it is widely used in industrial process automation systems. It is applicable in various fields including energy, petrochemical, metallurgy, chemical industry, mining, papermaking, environmental protection, biochemistry, pharmaceuticals, petroleum, electric power, printing and dyeing, light industry, food, tobacco, sugar manufacturing, and beverages.

I. Product Introduction

This pneumatic V-port ball valve adopts a cylindrical spring preloaded movable metal seat structure with compensation function, ensuring reliable sealing performance. The ball core and valve seat avoid jamming or separation, thus extending the service life. The V-shaped grooves on the ball core and metal seat have a shearing effect, making it particularly suitable for controlling media such as high-viscosity fluids, fiber-containing fluids, solid particles, and slurries. It performs exceptionally well in applications like pulp control in the papermaking industry.
As a type of ball valve, its closure component is a V-shaped notch on a hemisphere. The sharp edge of the V-shaped notch exerts a scraping effect between closure components during rotation, thereby providing strong cutting force on the medium. The V-shaped notch on the ball and the seat flow channel form a fan-shaped area, and the cross-sectional area of the flow channel can be changed during rotation to achieve precise regulation of the medium. It is an angular rotary control valve with the same sealing performance as ordinary ball valves, hence integrating both regulating and on-off functions. When paired with pneumatic or electric actuators, it is widely used in industrial process automation systems.
It is suitable for various fields including energy, petrochemical, metallurgy, chemical engineering, mining, papermaking, environmental protection, biochemistry, pharmaceuticals, electric power, printing and dyeing, light industry, food, tobacco, sugar making, and beverages.

II. Product Features

  1. Integral valve body structure: Both wafer-type and flange-type V-port ball valves adopt an integral side-mounted structure, featuring high structural rigidity, resistance to deformation, and no external leakage.
  2. Upper and lower self-lubricating bearings: The valve body is equipped with upper and lower self-lubricating bearings, which have a large contact area with the valve stem, high load-bearing capacity, and a small friction coefficient, reducing valve torque.
  3. Optional seat types: Depending on the medium and working conditions, the seat can be selected as metal hard-sealed or PTFE soft-sealed. The sealing surface of the metal hard-sealed seat is surfacing with hard alloy, and the spherical surface is hardened through processes such as hard chrome plating, spray welding, and ion nitriding, which improves the service life and temperature resistance of the sealing surface. The PTFE soft-sealed seat or reinforced PTFE seat has excellent sealing performance, corrosion resistance, and a wide range of applications.
  4. Economic efficiency and practicality: The valve body is lightweight with low stem torque, which also reduces the specification requirements for the supporting pneumatic or electric actuators. It offers a high cost-performance ratio compared with other types of control valves.
  5. Wide medium adaptability: Due to the shearing force between the V-shaped groove and the valve seat as well as the smooth and rounded flow channel in the valve cavity, the medium is not easy to accumulate in the valve cavity. Therefore, it is not only suitable for liquid media but also more suitable for system control of fiber-containing and solid particle-containing media.
  6. Precise control of small flow: Precise control of small Cv values can be achieved by machining special V-shaped grooves on small-diameter valve cores.

III. Technical Data

  • Pressure Rating: PN16 (1.6MPa)
  • Body Material: Carbon Steel (C)
  • Seat Type: Metal Hard Seal (H)
  • Actuation Method: Pneumatic
  • Connection Method: Flange Connection
  • Size Range: Various diameters are usually available to meet different pipeline requirements (specific dimensions shall be confirmed according to actual products)
  • Temperature Range: Suitable for medium-temperature environments matching the characteristics of carbon steel and hard sealing materials (generally up to approximately 425℃, the specific value depends on detailed materials and design)
  • Flow Characteristic: Linear or Equal Percentage (based on V-port design)
  • Seat Leakage Class: Complies with relevant industry standards for metal hard-sealed valves (e.g., ANSI/FCI 70-2 Class IV or higher)
  • Medium Compatibility: Suitable for high-viscosity fluids, fiber-containing, solid particle-containing, and slurry media, as well as general liquids and gases in industries such as energy, petrochemical, and papermaking.
  • Standard Compliance: Manufactured and tested in accordance with relevant industrial valve standards to ensure performance and quality.

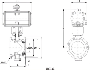
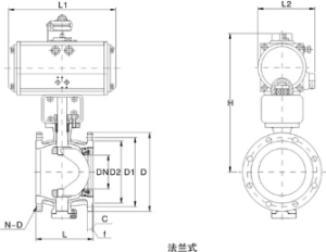
IV. Body Shape and Connection Dimensions

valve

About Us

Founded in 2016, Shanghai Wangye Valve Manufacturing Co., Ltd. is a professional industrial fluid control manufacturer with nearly a decade of experience, integrating R&D, intelligent production, sales, and customized solutions. Leveraging Shanghai’s advanced manufacturing advantages, we’ve built a reliable brand across petrochemicals, power, metallurgy, water treatment, and new energy industries, offering gate/ball/butterfly valves and tailored solutions for harsh conditions. Backed by advanced equipment, full-process quality control, and ISO certifications, we adhere to “Integrity, Quality, Customer Focus, Innovation” and provide comprehensive services, striving for long-term cooperation and continuous technological upgrading.

valve

Why Choose Us

Talent and Efficient Team

WYE always insists that employees are the most valuable asset of the enterprise and the future of WYE; Adhere to prioritizing talent selection, education, and utilization in the development of enterprises; introducing talent as the highest return investment behavior. We regard talent as the primary resource for effective management, and pursue a high degree of harmony and unity between employee personal development and enterprise development.We encourage you to have a special perspective, think independently, and be good at organizing resources from all parties. Always maintain a responsible attitude towards results and a positive team spirit that is willing to share in every task..

High End Processing Equipment Creating Excellent Product Quality

Advanced automated production equipment and sophisticated assembly line production demonstrate first-class quality.Technical experts directly participate in production to ensure the concealment and reliability of the product.The increasing awareness of high-quality products and the continuous supply of industrial products have made WYE constantly changing.No matter how the world changes, the persistent spirit of excellence among WTE people remains unchanged.

Warehouse Strength

In our facility, raw materials (including core components and packaging supplies) are strictly controlled via a real-time digital inventory system—tracking batches, shelf life, and storage conditions to boost traceability and cut waste. Semi-finished products, post-preliminary quality checks, are stored per strict industry standards: labeled with progress/inspection records to avoid cross-contamination and damage. Finished products are sorted into specialized warehouses by type, market, and delivery schedule, streamlining picking and reducing dispatch delays. This standardized process effectively boosts efficiency: cutting redundant steps by 30%, shortening fulfillment cycles by 20%, and minimizing inventory/shipment errors.

Customized Solutions & After-Sales Support

Tailored to the distinct demands of industries like petrochemicals, new energy, and metallurgy, WYE provides personalized industrial fluid control solutions—covering pre-project demand assessment, customized valve design (matching specific working conditions like pressure or medium type), and on-site technical consultation to align with clients’ operational scenarios. Additionally, we offer comprehensive after-sales support: including on-site installation guidance, regular equipment maintenance inspections, and 24/7 responsive fault troubleshooting, which ensures the stable operation of clients’ systems and strengthens long-term cooperative partnerships.

Our Services

Our company is a one-stop solution for all valve-related needs, offering customization to tailor valves to unique specifications, professional installation & commissioning for seamless integration and optimal performance, maintenance & repair to keep valves in top condition and extend their lifespan, and technical support & consultation for expert advice on selection, optimization, and troubleshooting throughout every project stage.

Valve Customization Service

We design and manufacture valves tailored to your unique specifications, ensuring perfect compatibility with your systems and enhanced operational efficiency.

Valve Installation & Commissioning

Our expert team provides professional installation and commissioning services, guaranteeing seamless integration and optimal performance of your valves from day one.

Valve Maintenance & Repair

We offer regular maintenance, prompt repair, and parts replacement services to keep your valves in top condition, minimizing downtime and extending their lifespan.

Technical Support & Consultation

Get expert advice on valve selection, system optimization, and troubleshooting. Our technical team is available to guide you through every stage of your valve-related projects.

PRODUCT PICTURE

EXHIBITION

PRODUCTION WORKSHOP

CERTIFICATIONS

CE-ROHS

ISO9001

ISO 15484

ISO 45001

API 607

COOPERATIVE PARTNER

Valve Solutions That Transform Your Operations

Our valves offer superior durability, precise control, and tailored solutions for your industrial, commercial, or residential needs. Don’t miss the opportunity to get reliable valve products and expert support.

COMPANY LOCATION

Scroll to Top