â… . Product Introduction
The Pneumatic Ceramic Rotary Disc Valve is engineered for reliable handling of abrasive and corrosive media in demanding industrial environments. It uses structural ceramic for both the disc and seat, providing outstanding resistance to scouring and wear.
Its unique design features an open-spring double-disc sealing mechanism. This ensures smooth, impact-free opening and closing. During each cycle, the disc moves tangentially with friction to achieve self-rotation, which helps cut through and clean residual media.
The large, rounded cavity design minimizes the risk of clogging. Optional flush holes, PLC-controlled automatic blow devices, and anti-blocking mechanisms can be added to suit specific media conditions.
This valve is ideal for dry ash, coal powder, and slurry applications. It is widely used as a discharge valve in pneumatic conveying systems and as an on-off valve for exhaust pipelines, delivering reliable performance with no ash buildup, no blockages, easy maintenance, and an extended service life.
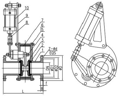
Valve operation is pneumatically controlled:
- Opening: When air is supplied to the rear inlet of the cylinder, the piston rod extends. This drives the rocker arm to rotate the valve stem, moving the disc away from the seat.
- Closing: When air is supplied to the front inlet of the cylinder, the piston rod retracts. This pulls the rocker arm to rotate the stem, bringing the disc back into full sealing contact with the seat.
â…¡. Product Features
- Superior Wear Resistance: Structural ceramic disc and seat offer exceptional resistance to abrasion and scouring, making it ideal for handling abrasive media.
- Self-Cleaning Action: The tangential movement and self-rotation of the disc during opening and closing effectively cut through and clean residual media, reducing clogging risks.
- Smooth Operation: The open-spring double-disc sealing design ensures flexible, impact-free opening and closing, minimizing mechanical stress and wear.
- Anti-Clog Design: A large, rounded cavity provides ample movement space, and optional flush holes or automatic blow devices further prevent blockages.
- Reliable Sealing: The ceramic-to-ceramic sealing surface ensures tight, long-lasting shutoff even under harsh conditions.
- Low Maintenance: The robust design and wear-resistant materials reduce the need for frequent servicing, lowering operational costs.
- Automation Compatibility: Pneumatic actuation enables seamless integration with automated control systems, and optional PLC-controlled accessories enhance functionality.
â…¢. Technical Data
Material List
| No. | Name | Material | No. | Name | Material |
|---|---|---|---|---|---|
| 1 | Cover | WCB | 6 | Nut | 45# Steel |
| 2 | Seat | Engineering Ceramic | 7 | Body | WCB |
| 3 | Disc | WCB + Engineering Ceramic | 8 | Rod | 45# Steel |
| 4 | Disc Fixing Shaft | 45# Steel | 9 | Yoke | Q235 |
| 5 | Stud | 35CrMo | 10 | Pneumatic Cylinder | Aluminum Alloy + Seal Components |
Key Specifications
- Model: Z643TC-10C
- Nominal Diameter: DN50~DN300
- Nominal Pressure: 1.0 MPa
- Actuation: Pneumatic (double-acting)
- Sealing Structure: Ceramic disc & seat with open-spring double-disc design
- Applicable Media: Dry ash, coal powder, slurry, and other abrasive or corrosive media
Ⅳ.The main shape and connection size

| DN | L | PN10(1.0MPa) | |||||||
| D | D1 | D2 | B | f | Z-d | ||||
| 50 | 340 | 165 | 125 | 102 | 18 | 3 | 4-φ18 | ||
| 65 | 340 | 185 | 145 | 122 | 18 | 3 | 4-φ18 | ||
| 80 | 340 | 200 | 160 | 138 | 20 | 3 | 8-φ18 | ||
| 100 | 350 | 220 | 180 | 158 | 20 | 3 | 8-φ18 | ||
| 125 | 350 | 250 | 210 | 188 | 22 | 3 | 8-φ18 | ||
| 150 | 380 | 285 | 240 | 212 | 22 | 3 | 8-φ22 | ||
| 200 | 380 | 340 | 295 | 268 | 24 | 3 | 8-φ22 | ||
| 250 | 400 | 395 | 350 | 320 | 26 | 3 | 12-φ22 | ||
| 300 | 450 | 445 | 400 | 370 | 26 | 4 | 12-φ22 | ||


















